企業博客
更多>>差分貼片晶振電路的輸出端子處產生的振蕩頻率
來源:http://www.jqhs.com.cn 作者:康比電子 2018年10月26
石英晶體振蕩器(XO)電路是RF系統的關鍵部件,并且用于在收發器中產生參考頻率.對于這些收發器而言,對于不同于收發器所調諧的頻率的響應(雜散響應)是挑戰性問題之一.XO諧波可以容易地通過多個路徑耦合至其他RF電路,并且出現在接收器和發射器輸出端處.與單端結構相比,差分貼片晶振XO電路是期望的,這是因為針對串擾和雜散響應的更好免疫性.然而,在XO電路中缺乏低阻抗DC路徑使得電路鎖定而不是振蕩.常規的差分XO電路設計已經使用了晶體管的已修改交叉耦合配對的負跨導(-gm)作為有源晶振器件,并且已經添加了高通濾波以避免在低頻鎖定.
技術實現要素:提供在差分振蕩器電路的輸出端子處產生振蕩頻率.
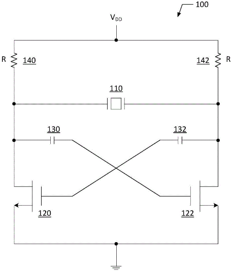
在一個實施例中,公開了一種差分貼片晶振電路.電路包括:第一輸出端子和第二輸出端子;交叉耦合的振蕩單元,包括交叉耦合至第一輸出端子和第二輸出端子的第一和第二晶體管;第一和第二金屬-氧化物半導體場-效應晶體管(MOSFET)二極管,每個MOSFET二極管包括連接在柵極和漏極端子之間的電阻器,其中第一MOSFET二極管耦合至第一晶體管以向第一晶體管提供在低頻的低阻抗負載和在高頻的高阻抗負載,其中第二MOSFET二極管耦合至第二晶體管以向第二晶振管提供在低頻的低阻抗負載和在高頻的高阻抗負載;以及耦合在第一輸出端子和第二輸出端子之間以建立振蕩頻率的參考諧振器.
在另一實施例中,公開了一種用于在差分振蕩器電路的輸出端子處產生振蕩頻率的方法.方法包括:使用耦合在輸出端子之間的晶體管和參考諧振器的交叉耦合配對產生振蕩頻率;以及使用耦合至晶體管的交叉耦合配對的MOSFET二極管生成在低頻的低阻抗負載和在高頻的高阻抗負載,其中MOSFET二極管中的每一個包括連接在柵極和漏極端子之間的電阻器.
在又一實施例中,公開了一種用于在差分晶體振蕩器電路的輸出端子處產生振蕩頻率的設備.設備包括:用于通過驅動在輸出端子之間耦合的參考石英晶體諧振器而產生振蕩頻率的裝置;以及用于生成在低頻的低阻抗負載和在高頻的高阻抗負載的裝置,其中用于生成的裝置耦合至用于產生的裝置. 本領域技術人員應該知曉可以各種形式實施結合在此所公開實施例而描述的各種示意性方框和模塊.已經通常根據它們的功能而以上描述了一些方框和模塊.如何實施該功能取決于對整個系統提出的設計約束.本領域技術人員可以對于每個特定應用以變化的方式實施所述功能,但是一些實施方式的決定不應解釋為使得脫離本發明的范圍.此外,在模塊,組塊或步驟內的功能的分組是為了便于描述說明.具體的功能或步驟可以從一個模塊或組塊移動而并未脫離本發明的范圍.
結合在此所公開實施例描述的各個示意性邏輯組塊,單元,步驟,部件和模塊可以采用處理器實施或執行,諸如通用處理器,石英晶振,數字信號處理器(DSP),專用集成電路(ASIC),現場可編程門陣列(FPGA),或設計用于執行在此所述功能的其他可編程邏輯器件,離散的門或晶體管邏輯,離散的硬件部件,或者其任意組合.通用處理器可以是微處理器,但是在備選例中,處理器可以是任何處理器,控制器,微控制器,或狀態機.處理器也可以實施作為計算裝置的組合,例如,DSP和微處理器的組合,多個微處理器,一個或多個微處理器結合DSP內核,或者任何其他這種配置.進一步,可以使用各種晶體管類型,邏輯系列,和設計方法學實現在此所述的實施了實施例的電路以及功能組塊和模塊. 提供所公開實施例的以上說明以使得本領域任何技術人員能夠制造或使用本發明.對這些實施例的各種修改對于本領域技術人員將是易于明顯的,并且在此所述的普遍原理可以適用于其他實施例而并未脫離本發明的精神或范圍.因此,應該理解的是在此所展示的說明書和附圖展示了本發明的當前優選實施例并且因此代表了由本發明廣泛設計的主題.應該進一步理解的是本發明的阿范圍完全包括對于本領域技術人員可以變得明顯的其他實施例,并且因此由除了所附權利要求之外任何其他事物無法限定本發明的范圍.
一種差分貼片晶振電路,包括:第一輸出端子和第二輸出端子;包括交叉耦合至第一輸出端子和第二輸出端子的第一和第二晶體管的交叉耦合的振蕩單元;第一和第二金屬氧化物半導體場效應晶體管(MOSFET)二極管,每個MOSFET二極管包括連接在柵極和漏極端子之間的電阻器,其中第一MOSFET二極管耦合至第一晶體管以向第一晶體管提供在低頻時低阻抗負載和在高頻時高阻抗負載,其中第二MOSFET二極管耦合至第二晶體管以向第二晶體管提供在低頻時低阻抗負載和在高頻時高阻抗負載;以及耦合在第一輸出端子和第二輸出端子之間以建立振蕩頻率的參考諧振器.
技術實現要素:提供在差分振蕩器電路的輸出端子處產生振蕩頻率.
在一個實施例中,公開了一種差分貼片晶振電路.電路包括:第一輸出端子和第二輸出端子;交叉耦合的振蕩單元,包括交叉耦合至第一輸出端子和第二輸出端子的第一和第二晶體管;第一和第二金屬-氧化物半導體場-效應晶體管(MOSFET)二極管,每個MOSFET二極管包括連接在柵極和漏極端子之間的電阻器,其中第一MOSFET二極管耦合至第一晶體管以向第一晶體管提供在低頻的低阻抗負載和在高頻的高阻抗負載,其中第二MOSFET二極管耦合至第二晶體管以向第二晶振管提供在低頻的低阻抗負載和在高頻的高阻抗負載;以及耦合在第一輸出端子和第二輸出端子之間以建立振蕩頻率的參考諧振器.
在另一實施例中,公開了一種用于在差分振蕩器電路的輸出端子處產生振蕩頻率的方法.方法包括:使用耦合在輸出端子之間的晶體管和參考諧振器的交叉耦合配對產生振蕩頻率;以及使用耦合至晶體管的交叉耦合配對的MOSFET二極管生成在低頻的低阻抗負載和在高頻的高阻抗負載,其中MOSFET二極管中的每一個包括連接在柵極和漏極端子之間的電阻器.
在又一實施例中,公開了一種用于在差分晶體振蕩器電路的輸出端子處產生振蕩頻率的設備.設備包括:用于通過驅動在輸出端子之間耦合的參考石英晶體諧振器而產生振蕩頻率的裝置;以及用于生成在低頻的低阻抗負載和在高頻的高阻抗負載的裝置,其中用于生成的裝置耦合至用于產生的裝置. 本領域技術人員應該知曉可以各種形式實施結合在此所公開實施例而描述的各種示意性方框和模塊.已經通常根據它們的功能而以上描述了一些方框和模塊.如何實施該功能取決于對整個系統提出的設計約束.本領域技術人員可以對于每個特定應用以變化的方式實施所述功能,但是一些實施方式的決定不應解釋為使得脫離本發明的范圍.此外,在模塊,組塊或步驟內的功能的分組是為了便于描述說明.具體的功能或步驟可以從一個模塊或組塊移動而并未脫離本發明的范圍.
結合在此所公開實施例描述的各個示意性邏輯組塊,單元,步驟,部件和模塊可以采用處理器實施或執行,諸如通用處理器,石英晶振,數字信號處理器(DSP),專用集成電路(ASIC),現場可編程門陣列(FPGA),或設計用于執行在此所述功能的其他可編程邏輯器件,離散的門或晶體管邏輯,離散的硬件部件,或者其任意組合.通用處理器可以是微處理器,但是在備選例中,處理器可以是任何處理器,控制器,微控制器,或狀態機.處理器也可以實施作為計算裝置的組合,例如,DSP和微處理器的組合,多個微處理器,一個或多個微處理器結合DSP內核,或者任何其他這種配置.進一步,可以使用各種晶體管類型,邏輯系列,和設計方法學實現在此所述的實施了實施例的電路以及功能組塊和模塊. 提供所公開實施例的以上說明以使得本領域任何技術人員能夠制造或使用本發明.對這些實施例的各種修改對于本領域技術人員將是易于明顯的,并且在此所述的普遍原理可以適用于其他實施例而并未脫離本發明的精神或范圍.因此,應該理解的是在此所展示的說明書和附圖展示了本發明的當前優選實施例并且因此代表了由本發明廣泛設計的主題.應該進一步理解的是本發明的阿范圍完全包括對于本領域技術人員可以變得明顯的其他實施例,并且因此由除了所附權利要求之外任何其他事物無法限定本發明的范圍.
一種差分貼片晶振電路,包括:第一輸出端子和第二輸出端子;包括交叉耦合至第一輸出端子和第二輸出端子的第一和第二晶體管的交叉耦合的振蕩單元;第一和第二金屬氧化物半導體場效應晶體管(MOSFET)二極管,每個MOSFET二極管包括連接在柵極和漏極端子之間的電阻器,其中第一MOSFET二極管耦合至第一晶體管以向第一晶體管提供在低頻時低阻抗負載和在高頻時高阻抗負載,其中第二MOSFET二極管耦合至第二晶體管以向第二晶體管提供在低頻時低阻抗負載和在高頻時高阻抗負載;以及耦合在第一輸出端子和第二輸出端子之間以建立振蕩頻率的參考諧振器.
正在載入評論數據...
相關資訊
- [2023-07-12]第二篇:6G光模塊應用晶振X1G00...
- [2023-06-28]6G無線晶振KX-327RT是可穿戴設備...
- [2019-08-29]具備軍用溫度范圍的高利奇32.76...
- [2019-08-20]大河晶振四大產品優勢
- [2019-08-08]高度穩定的32.768K溫補晶振
- [2019-07-29]DSB211SDN溫補晶振寬溫度范圍內...
- [2019-07-26]SiTime推出用于航空航天和國防市...
- [2019-07-16]目前是世界上最小的溫補晶振






