企業博客
更多>>具備軍用溫度范圍的高利奇32.768KHZ手表水晶
來源:http://www.jqhs.com.cn 作者:康比電子 2019年08月29
Golledge晶振很自豪地推出我們新的超薄型微型手表水晶CM7V04.CM7V04允許通過將CM7V的封裝高度降低0.25mm至總高度僅為0.38mm來實現多層電路板,同時在業界最受歡迎的3.2x1.5(3215)占位面積內保持卓越的性能.穩定性為±20ppm,標準工作溫度范圍為-40至+85°C,具有良好的抗沖擊和抗振性,使這種多功能晶體可用于多種應用.CM7V03-T1A晶振低剖面SMD32.768KHZ手表水晶,具有軍用溫度范圍.具有如下特點.
●超薄(0.35mm)
●帶金屬蓋的微型陶瓷包裝
●高抗沖擊和抗振動性
●功耗低
原裝CM7V手表水晶與全新低調CM7V04手表水晶的比較高度僅為0.38mm.除了這些規格外,CM7V04的外形使其特別適用于智能卡和產品總高度嚴重限制的其他應用.CM7V03-T1A表面貼裝手表水晶是軍事和汽車項目的理想選擇,在帶金屬蓋的微型陶瓷封裝內提供高抗沖擊和抗振動性.CM7V-T1A可配置為您選擇的一系列規格,包括工作溫度范圍,電路條件和校準公差.這款32.768kHz晶振標配低功耗,采用3215晶體微型封裝.
可選的汽車和軍用工作溫度范圍和僅0.35mm的超薄外形,這意味著這款32.768kHz晶體適用于廣泛的應用,包括極其緊密的電路板堆疊.
產品規格
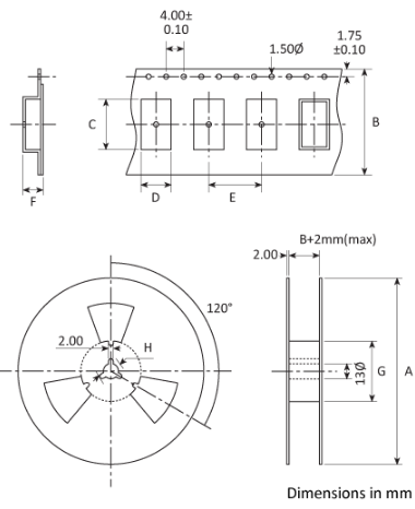
包裝圖
卷帶規格
處理和存儲
施工
陶瓷底座帶金屬蓋
材料成分
●超薄(0.35mm)
●帶金屬蓋的微型陶瓷包裝
●高抗沖擊和抗振動性
●功耗低
原裝CM7V手表水晶與全新低調CM7V04手表水晶的比較高度僅為0.38mm.除了這些規格外,CM7V04的外形使其特別適用于智能卡和產品總高度嚴重限制的其他應用.CM7V03-T1A表面貼裝手表水晶是軍事和汽車項目的理想選擇,在帶金屬蓋的微型陶瓷封裝內提供高抗沖擊和抗振動性.CM7V-T1A可配置為您選擇的一系列規格,包括工作溫度范圍,電路條件和校準公差.這款32.768kHz晶振標配低功耗,采用3215晶體微型封裝.
可選的汽車和軍用工作溫度范圍和僅0.35mm的超薄外形,這意味著這款32.768kHz晶體適用于廣泛的應用,包括極其緊密的電路板堆疊.
產品規格
| 頻率 | 32.768kHz的 |
| 外形尺寸 | 3.2 x 1.5 x 0.35mm |
| 校準公差 | ±20ppm的 |
| 工作溫度范圍 | -40至+ 85°C |
| 儲存溫度范圍 | -55至+ 125°C |
| 靜電電容(C 0) | 1.4pF典型值 |
| 運動電容(C 1) | 3.5fF典型值 |
| 等效串聯電阻 | 典型值55kΩ,最大值80kΩ@ 25°C |
| 老化 | 第一年最高±3ppm |
| 驅動級別 | 最大0.5μW |
| 周轉溫度(T 0) | + 25°C±5°C |
| 頻率/溫度系數 | -0.035ppm /°C 2 ±10% |
| 抗沖擊性 | ±5ppm,5,000g,0.3ms,½正弦 |
| 抗振性 | ±5ppm,20g,10.0~2,000Hz |
| 終端 | 鍍金墊 |
| 焊接條件 | 回流溫度,260°C,最大20秒 |
.png)

陶瓷底座帶金屬蓋
材料成分

英國領先的高利奇晶振頻率控制產品供應商,并以為全球電子行業服務而自豪.我們的理念是通過努力滿足并超越您的需求,堅定地關注您的需求.我們通過確保32.768KHZ產品和服務的最高質量和一致性來實現這一目標.自1990年成立以來,Golledge Electronics取得了前所未有的成功.經過多年的不斷發展,現在是英國領先的頻率控制產品供應商.通過堅持客戶的要求并始終致力于滿足并超越客戶的要求.實現了這一增長.
正在載入評論數據...
此文關鍵字: Golledge音叉表晶軍用溫度晶振
相關資訊
- [2023-07-12]第二篇:6G光模塊應用晶振X1G00...
- [2023-06-28]6G無線晶振KX-327RT是可穿戴設備...
- [2019-08-29]具備軍用溫度范圍的高利奇32.76...
- [2019-08-20]大河晶振四大產品優勢
- [2019-08-08]高度穩定的32.768K溫補晶振
- [2019-07-29]DSB211SDN溫補晶振寬溫度范圍內...
- [2019-07-26]SiTime推出用于航空航天和國防市...
- [2019-07-16]目前是世界上最小的溫補晶振



.png)
.png)

