康比電子roducts
國產晶振
臺產晶振
進口晶振
- 日本大真空晶振
- 愛普生晶振
- 精工晶振
- 西鐵城晶振
- 村田晶振
- 進口KSS晶振
- NDK晶振
- 大河石英晶振
- 美國CTS晶振
- 微晶晶振
- Abracon晶振
- ECS晶振
- Golledge晶振
- IDT晶振
- Jauch晶振
- Pletronics晶振
- 拉隆晶振
- SiTime晶振
- Statek晶振
- 格林雷晶振
- 康納溫菲爾德晶振
- 日蝕晶振
- 瑞康晶振
- 維管晶振
- AEK晶振
- AEL晶振
- Cardinal晶振
- Crystek晶振
- Euroquartz晶振
- FOX晶振
- Frequency晶振
- Geyer晶振
- KVG晶振
- ILSI晶振
- MERCURY晶振
- MMDCOMP晶振
- MtronPTI晶振
- QANTEK晶振
- QuartzCom晶振
- Quarztechnik晶振
- Suntsu晶振
- Transko晶振
- Wi2Wi晶振
- Fujicom晶振
- Interquip晶振
- ITTI晶振
- Lihom晶振
- MTI晶振
- NAKA晶振
- Oscilent晶振
- PDI晶振
- Rubyquartz晶振
- Shinsung晶振
- SMI晶振
- CTECH晶振
- IQD晶振
- Microchip晶振
- NJR晶振
- Silicon晶振
- Anderson晶振
- Fortiming晶振
- CORE晶振
- NIPPON晶振
- NICKC晶振
- QVS晶振
- Bomar晶振
- Bliley晶振
- GED晶振
- FILTRONETICS晶振
- STD晶振
- Q-Tech晶振
- Wenzel晶振
- NEL晶振
- EM晶振
- PETERMANN晶振
- FCD-Tech晶振
- HEC晶振
- FMI晶振
- Macrobizes晶振
- AXTAL晶振
- Sunny晶振
- 瑞薩Renesas晶振
- SKYWORKS晶振
- Dynamic迪拉尼晶振
車載電子
數碼電子
智能家居
時計產品
無線網絡
智能穿戴
醫療器械
無人機
0755-27876201
常見問題
更多>>.jpg)
.jpg)
SMD600.3C(E/D)-33.000MHz/6G基站晶振/美國GED有源振蕩器,尺寸6035mm,頻率為33MHZ,歐美有源振蕩器,GED石英振蕩器,6035mm有源晶振,OSC石英振蕩器,SMD振蕩器,XO時鐘振蕩器,石英有源振蕩器,無鉛有源晶振,33MHZ有源振蕩器,低耗能有源晶振,低抖動振蕩器,低電壓振蕩器,低功耗振蕩器,低損耗有源晶振,高質量有源晶振,高性能有源晶振,6G基站專用晶振,無線藍牙晶振,網絡設備晶振,物聯網晶振,無線模塊專用晶振,多媒體設備晶振,娛樂設備晶振,具有高可靠低功耗的特點。
OSC晶振產品非常適合用于6G基站,無線藍牙,網絡設備,物聯網,無線模塊,多媒體設備,娛樂設備等領域。SMD600.3C(E/D)-33.000MHz/6G基站晶振/美國GED有源振蕩器.
.jpg)
SMD600.3C(E/D)-33.000MHz/6G基站晶振/美國GED有源振蕩器 參數表
| ELECTRICAL SPECIFICATIONS | |||||
| Description | SMD600 | SMD600.3 | |||
| Frequency Range | 0.5 to 100MHz | 33MHz | |||
| Frequency Stability | ±50ppm ±100ppm | ||||
| Operating Temperature Range | 0°C to +70°C | ||||
| Storage Temperature Range | -55 ~ +125°C | ||||
| Input Voltage | 5.0VDC ±10% | 3.3VDC ±10% | |||
| Input Current | 10mA to 60mA | ||||
| Symmetry | 50±10% Standard, 50±5% Available | ||||
| Rise Time / Fall Time |
10nSeconds (0.5 ~ 40.000MHz) 6nSeconds (50.0 ~ 100.000MHz) |
||||
| Output Load | 10TTL or 15pF HCMOS | ||||
| Pin 1 Option | No connection Enable/Disable (Tristate) | ||||
.jpg)
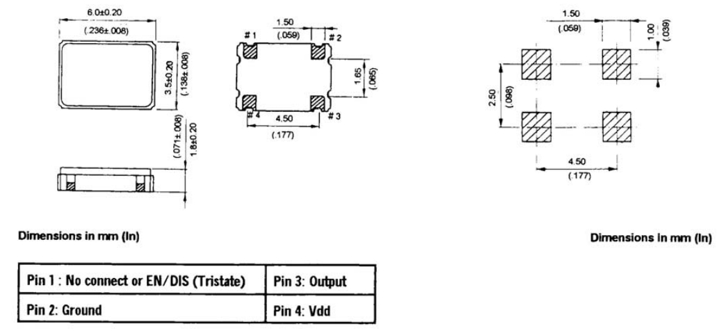
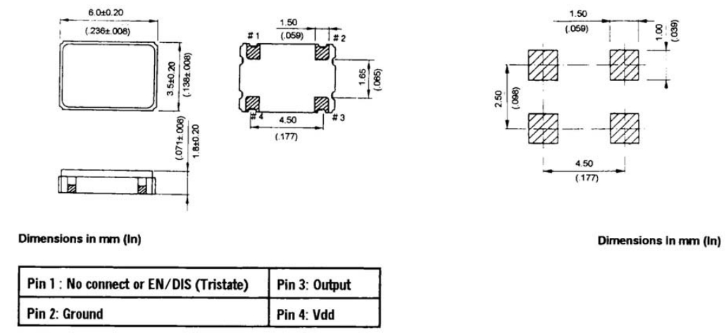
SMD600.3C(E/D)-33.000MHz/6G基站晶振/美國GED有源振蕩器 尺寸圖
SMD600.3C(E/D)-33.000MHz/6G基站晶振/美國GED有源振蕩器
晶振產品特性
HCMOS/TTL輸出
3.3V和5.0V電源電壓
陶瓷SMD封裝
低電壓低功耗
3.3V和5.0V電源電壓
陶瓷SMD封裝
低電壓低功耗


1、技術支持:全方位技術指導,專業的技術支持讓您感受到前所未有的后顧無憂.
2、客服咨詢:專業的銷售團隊,耐心為您解答任何疑問,讓您的消費得到保障.
3、質量保證,誠信為本,上我司以“以科技為動力,以質量求生存,”為理念.
4、提升業績,降低成本為您的產品量身訂制,免費取樣,為您做到低成本,高效率.
3、質量保證,誠信為本,上我司以“以科技為動力,以質量求生存,”為理念.
4、提升業績,降低成本為您的產品量身訂制,免費取樣,為您做到低成本,高效率.

康比電子聯系方式:
Q Q: 577541227
電 話:0755-27876201
手 機: 13728742863
Email: kangbidz@163.com
網 址: http://www.jqhs.com.cn/
地 址: 廣東省深圳市寶安區41區33棟6層
Q Q: 577541227
電 話:0755-27876201
手 機: 13728742863
Email: kangbidz@163.com
網 址: http://www.jqhs.com.cn/
地 址: 廣東省深圳市寶安區41區33棟6層








