康比電子roducts
國產晶振
臺產晶振
進口晶振
- 日本大真空晶振
- 愛普生晶振
- 精工晶振
- 西鐵城晶振
- 村田晶振
- 進口KSS晶振
- NDK晶振
- 大河石英晶振
- 美國CTS晶振
- 微晶晶振
- Abracon晶振
- ECS晶振
- Golledge晶振
- IDT晶振
- Jauch晶振
- Pletronics晶振
- 拉隆晶振
- SiTime晶振
- Statek晶振
- 格林雷晶振
- 康納溫菲爾德晶振
- 日蝕晶振
- 瑞康晶振
- 維管晶振
- AEK晶振
- AEL晶振
- Cardinal晶振
- Crystek晶振
- Euroquartz晶振
- FOX晶振
- Frequency晶振
- Geyer晶振
- KVG晶振
- ILSI晶振
- MERCURY晶振
- MMDCOMP晶振
- MtronPTI晶振
- QANTEK晶振
- QuartzCom晶振
- Quarztechnik晶振
- Suntsu晶振
- Transko晶振
- Wi2Wi晶振
- Fujicom晶振
- Interquip晶振
- ITTI晶振
- Lihom晶振
- MTI晶振
- NAKA晶振
- Oscilent晶振
- PDI晶振
- Rubyquartz晶振
- Shinsung晶振
- SMI晶振
- CTECH晶振
- IQD晶振
- Microchip晶振
- NJR晶振
- Silicon晶振
- Anderson晶振
- Fortiming晶振
- CORE晶振
- NIPPON晶振
- NICKC晶振
- QVS晶振
- Bomar晶振
- Bliley晶振
- GED晶振
- FILTRONETICS晶振
- STD晶振
- Q-Tech晶振
- Wenzel晶振
- NEL晶振
- EM晶振
- PETERMANN晶振
- FCD-Tech晶振
- HEC晶振
- FMI晶振
- Macrobizes晶振
- AXTAL晶振
- Sunny晶振
- 瑞薩Renesas晶振
- SKYWORKS晶振
- Dynamic迪拉尼晶振
車載電子
數碼電子
智能家居
時計產品
無線網絡
智能穿戴
醫療器械
無人機
0755-27876201
常見問題
更多>>.jpg)
.jpg)
Vectron維管晶振,PX-4210-DAB-FKAB-10M0000000,導航儀6G應用,美國進口晶振,Vectron維管晶振,型號PX-421系列,編碼為:PX-4210-DAE-FKAB-10M0000000,頻率為:10.000MHz,尺寸為:12.7x12.7mm,通孔晶體振蕩器,寬工作溫度范圍:-55℃至105℃,石英晶振,石英晶體振蕩器,有源晶振,無鉛環保晶振,完全符合RoHS。應用于:低壓時鐘應用,軍用便攜式無線電,航空電子設備,儀器測試,測量設備,醫療設備,導航等應用。
.jpg)
Vectron維管晶振,PX-4210-DAB-FKAB-10M0000000,導航儀6G應用,參數表
| Parameter | Min | Typ | Max | Units | Condition | ||||||||||||||||
|
Overall tolerance (Referenced to +25°C) (includes operating temperature and initial accuracy) |
-20 -25 -50 - 100 |
+20 +25 +50 +100 |
ppm ppm ppm ppm |
0… +70°C | |||||||||||||||||
|
-25 -50 - 100 |
+25 +50 +100 |
ppm ppm ppm |
-40… +85°C | ||||||||||||||||||
|
-50 -65 - 100 |
+50 +65 +100 |
ppm ppm ppm |
-55… +85°C | ||||||||||||||||||
|
-50 -65 - 100 |
+50 +65 +100 |
ppm ppm ppm |
-55… +105°C | ||||||||||||||||||
|
-65 -80 - 100 |
+65 +80 +100 |
ppm ppm ppm |
-55… +125°C | ||||||||||||||||||
|
vs. supply voltage change vs. load change vs. aging / 1st year vs. aging / year (following years) |
-2 - 1 -3 - 1 |
+2 +1 +3 +1 |
ppm ppm ppm ppm |
VS ± 5% Load ± 5% after 30 days of operation |
|||||||||||||||||
| Supply Voltage (Vs) | |||||||||||||||||||||
| Supply voltage | 4.75 | 5.0 | 5.25 | VDC | |||||||||||||||||
| Supply voltage | 3. 135 | 3.3 | 3.465 | VDC | |||||||||||||||||
| Supply voltage | 2.375 | 2.5 | 2.625 | VDC | |||||||||||||||||
| Supply voltage | 1.71 | 1.8 | 1.89 | VDC | |||||||||||||||||
|
Current consumption (+5 VDC) |
15 20 40 |
mA mA mA |
ACMOS or TTL 1.0 to 23.9 MHz ACMOS or TTL 24 to 49.9 MHz ACMOS or TTL 50 to 125.00 MHz |
||||||||||||||||||
|
Current consumption (+3.3 VDC or +2.5 VDC) |
1.5 4 8 12 20 30 |
mA mA mA mA mA mA |
ACMOS 1.0 to 14.9 MHZ ACMOS 15.0 to 39.9 MHZ ACMOS 40.0 to 59.9 MHZ ACMOS 60.0 to 84.9 MHZ ACMOS 85.0 to 124.9 MHZ ACMOS 125.0 to 170.0 MHZ |
||||||||||||||||||
|
Current consumption (+1.8 VDC) |
1.0 2 3 4 10 15 |
mA mA mA mA mA mA |
ACMOS 1.0 to 14.9 MHZ ACMOS 15.0 to 39.9 MHZ ACMOS 40.0 to 59.9 MHZ ACMOS 60.0 to 84.9 MHZ ACMOS 85.0 to 124.9 MHZ ACMOS 125.0 to 170.0 MHZ |
||||||||||||||||||
| RF Output | |||||||||||||||||||||
| Signal | HCMOS / ACMOS | ||||||||||||||||||||
| Load | 15 | 50 | pF | ||||||||||||||||||
| Signal Level (Vol) |
0.5 0.3 0.25 0.2 |
VDC VDC VDC VDC |
with Vs=5.0V and 15pF load with Vs=3.3V and 15pF load with Vs= 2.5V and 15pF load with Vs= 1.8V and 15pF load |
||||||||||||||||||
| Signal Level (Voh) |
4.5 3.0 2.25 1.62 |
VDC VDC VDC VDC |
with Vs=5.0V and 15pF load with Vs=3.3V and 15pF load with Vs=2.5V and 15pF load with Vs=1.8V and 15pF load |
||||||||||||||||||
|
Rise and fall times for ACMOS (measured 10% to 90%) |
10 6 3 |
ns ns ns |
1.0 to 23.9 MHz 24.0 to 79.9 MHz 80.0 to 125.0 MHz |
||||||||||||||||||
| Duty cycle |
45 40 |
55 60 |
% % |
@ 50% < 15 MHz @ 50% => 15 MHz |
|||||||||||||||||
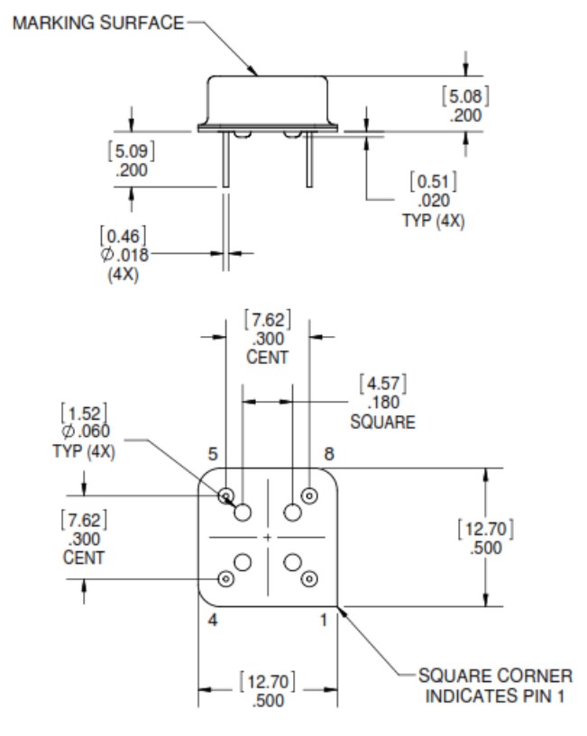
.jpg)
Vectron維管晶振,PX-4210-DAB-FKAB-10M0000000,導航儀6G應用,尺寸圖
Vectron維管晶振,PX-4210-DAB-FKAB-10M0000000,導航儀6G應用
產品特征:
低壓時鐘應用
軍用便攜式無線電 有源晶振
航空電子設備和儀器
測試和測量設備
醫療設備
導航



1、技術支持:全方位技術指導,專業的技術支持讓您感受到前所未有的后顧無憂.
2、客服咨詢:專業的銷售團隊,耐心為您解答任何疑問,讓您的消費得到保障.
3、質量保證,誠信為本,上我司以“以科技為動力,以質量求生存,”為理念.
4、提升業績,降低成本為您的產品量身訂制,免費取樣,為您做到低成本,高效率.
3、質量保證,誠信為本,上我司以“以科技為動力,以質量求生存,”為理念.
4、提升業績,降低成本為您的產品量身訂制,免費取樣,為您做到低成本,高效率.

康比電子聯系方式:
Q Q: 577541227
電 話:0755-27876201
手 機: 13728742863
Email: kangbidz@163.com
網 址: http://www.jqhs.com.cn/
地 址: 廣東省深圳市寶安區41區33棟6層
Q Q: 577541227
電 話:0755-27876201
手 機: 13728742863
Email: kangbidz@163.com
網 址: http://www.jqhs.com.cn/
地 址: 廣東省深圳市寶安區41區33棟6層









