康比電子roducts
國產晶振
臺產晶振
進口晶振
- 日本大真空晶振
- 愛普生晶振
- 精工晶振
- 西鐵城晶振
- 村田晶振
- 進口KSS晶振
- NDK晶振
- 大河石英晶振
- 美國CTS晶振
- 微晶晶振
- Abracon晶振
- ECS晶振
- Golledge晶振
- IDT晶振
- Jauch晶振
- Pletronics晶振
- 拉隆晶振
- SiTime晶振
- Statek晶振
- 格林雷晶振
- 康納溫菲爾德晶振
- 日蝕晶振
- 瑞康晶振
- 維管晶振
- AEK晶振
- AEL晶振
- Cardinal晶振
- Crystek晶振
- Euroquartz晶振
- FOX晶振
- Frequency晶振
- Geyer晶振
- KVG晶振
- ILSI晶振
- MERCURY晶振
- MMDCOMP晶振
- MtronPTI晶振
- QANTEK晶振
- QuartzCom晶振
- Quarztechnik晶振
- Suntsu晶振
- Transko晶振
- Wi2Wi晶振
- Fujicom晶振
- Interquip晶振
- ITTI晶振
- Lihom晶振
- MTI晶振
- NAKA晶振
- Oscilent晶振
- PDI晶振
- Rubyquartz晶振
- Shinsung晶振
- SMI晶振
- CTECH晶振
- IQD晶振
- Microchip晶振
- NJR晶振
- Silicon晶振
- Anderson晶振
- Fortiming晶振
- CORE晶振
- NIPPON晶振
- NICKC晶振
- QVS晶振
- Bomar晶振
- Bliley晶振
- GED晶振
- FILTRONETICS晶振
- STD晶振
- Q-Tech晶振
- Wenzel晶振
- NEL晶振
- EM晶振
- PETERMANN晶振
- FCD-Tech晶振
- HEC晶振
- FMI晶振
- Macrobizes晶振
- AXTAL晶振
- Sunny晶振
- 瑞薩Renesas晶振
- SKYWORKS晶振
- Dynamic迪拉尼晶振
車載電子
數碼電子
智能家居
時計產品
無線網絡
智能穿戴
醫療器械
無人機
0755-27876201
常見問題
更多>>
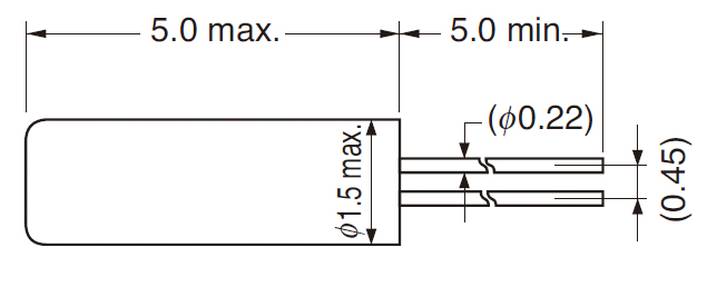
SEIKO晶振一級代理商,VT-150-F晶振,顯示器晶振此石英晶體諧振器,晶振產品本身具備優良的耐熱性,耐環境特性,在辦公自動化,家電領域,移動通信領域可發揮優良的電氣特性,符合無鉛標準,滿足無鉛焊接的回流溫度曲線要求.
.jpg)
| 項目 | 記 號 | VT-150-F | 條 件 |
| 頻率 | f_nom | 32.768kHz | |
| 頻率容許偏差 | f_tol | ±20x10−6, ±50x10−6 | |
| 頂點溫度 | Ti | +25±5°C | |
| 二級溫度系數 | B | (−3.5±1.0)x10−8/°C2 | |
| 負載容量 | CL | 7.0pF/9.0pF/12.5pF | |
| 串聯電阻 | R1 | 65kÙ 最大值 | |
| 絕對最大激勵等級 | DLmax. | 1μW | |
| 推薦激勵等級 | DL | 0.1μW | |
| 并聯電容 | C0 | 0.8pF 典型值 | |
| 頻率老化程度 | f_age | ±3x10-6 | +25±3°C,第一年 |
| 工作溫度范圍 | T_use | -40°C~+85°C | |
| 保存溫度范圍 | T_stg | -55°C~+125°C | 單件保管 |
.jpg)

.jpg)
關于頻率溫度特性例:音叉型石英晶振的頻率溫度特性如左側的曲線圖所 示,顯示了以+25°C為頂點的負向2次方程曲線. 溫度范圍越寬,則頻率的變化量也越大,因此,需要 考慮一下所使用環境的溫度范圍和必要的精度.
[頻率溫度特性的近似公式]f_tem = B(T-Ti) 2
B : 二次溫度系數
T : 任意的溫度
Ti : 頂點溫度
自1881年創業以來,精工公司已不斷地向全世界推出了各種具有革新性的商品和服務。主要以手表、電池、石英晶振、傳感器等相關器件業務為主.精工自創業以來始終秉承著“永遠領先時代一步”的經營姿態,不斷推進著革新.我們牢記著這一自創業以來繼承至今的理念和“把握顧客感性”這一嶄新的理念,制定了“讓時代與心靈悅動SEIKO”的企業口號.依靠引領時代的技術實力和感性,今后一如既往地將創造未來的事業推進下去,我們傳遞著精工這樣的熱誠意志和躍動感.
2003年通過ISO14001環境管理系統驗證,秉持“污染預防、持續改善”之原則,公司事業廢棄物產出量逐年降低,可回收、再利用之廢棄物比例逐年提高,各項排放檢測數據符合政府法規要求.并由原材料管控禁用或限用環境危害物質與國際大廠對于綠色生產及綠色產品的要求相符,于2004年通過SONY 綠色伙伴(Green Partner)驗證. 
1、技術支持:全方位技術指導,專業的技術支持讓您感受到前所未有的后顧無憂.3、質量保證,誠信為本,上我司以“以科技為動力,以質量求生存,”為理念.
4、提升業績,降低成本為您的產品量身訂制,免費取樣,為您做到低成本,高效率.
康比電子聯系方式:Q Q: 577541227
電 話:0755-27876201
手 機: 13728742863
Email: kangbidz@163.com
網 址: http://www.jqhs.com.cn/
地 址: 廣東省深圳市寶安區41區






