康比電子roducts
國產晶振
臺產晶振
進口晶振
- 日本大真空晶振
- 愛普生晶振
- 精工晶振
- 西鐵城晶振
- 村田晶振
- 進口KSS晶振
- NDK晶振
- 大河石英晶振
- 美國CTS晶振
- 微晶晶振
- Abracon晶振
- ECS晶振
- Golledge晶振
- IDT晶振
- Jauch晶振
- Pletronics晶振
- 拉隆晶振
- SiTime晶振
- Statek晶振
- 格林雷晶振
- 康納溫菲爾德晶振
- 日蝕晶振
- 瑞康晶振
- 維管晶振
- AEK晶振
- AEL晶振
- Cardinal晶振
- Crystek晶振
- Euroquartz晶振
- FOX晶振
- Frequency晶振
- Geyer晶振
- KVG晶振
- ILSI晶振
- MERCURY晶振
- MMDCOMP晶振
- MtronPTI晶振
- QANTEK晶振
- QuartzCom晶振
- Quarztechnik晶振
- Suntsu晶振
- Transko晶振
- Wi2Wi晶振
- Fujicom晶振
- Interquip晶振
- ITTI晶振
- Lihom晶振
- MTI晶振
- NAKA晶振
- Oscilent晶振
- PDI晶振
- Rubyquartz晶振
- Shinsung晶振
- SMI晶振
- CTECH晶振
- IQD晶振
- Microchip晶振
- NJR晶振
- Silicon晶振
- Anderson晶振
- Fortiming晶振
- CORE晶振
- NIPPON晶振
- NICKC晶振
- QVS晶振
- Bomar晶振
- Bliley晶振
- GED晶振
- FILTRONETICS晶振
- STD晶振
- Q-Tech晶振
- Wenzel晶振
- NEL晶振
- EM晶振
- PETERMANN晶振
- FCD-Tech晶振
- HEC晶振
- FMI晶振
- Macrobizes晶振
- AXTAL晶振
- Sunny晶振
- 瑞薩Renesas晶振
- SKYWORKS晶振
- Dynamic迪拉尼晶振
車載電子
數碼電子
智能家居
時計產品
無線網絡
智能穿戴
醫療器械
無人機
0755-27876201
常見問題
更多>>

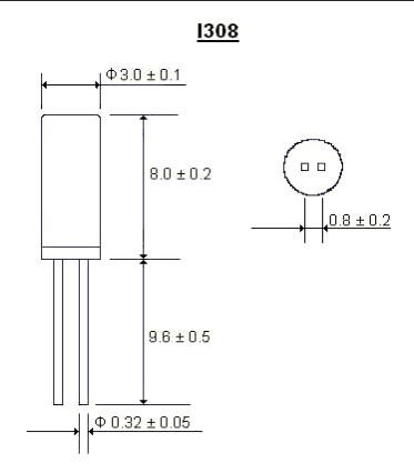
ITTI晶振,I308晶振,I308-32.768KHz-12.5晶振,插件石英晶振最適合用于比較低端的電子產品,比如兒童玩具,普通家用電器,即使在汽車電子領域中也能使產品高可靠性的使用.并且可用于安全控制裝置的CPU時鐘信號發生源部分,好比時鐘單片機上的石英晶振,在極端嚴酷的環境條件下,晶振也能正常工作,具有穩定的起振特性,高耐熱性,耐熱循環性和耐振性等的高可靠性能.
為了進一步說明這一點,ITTI通過其工程,質量和生產知識以及專業知識來確定哪個工廠具有生產特定產品的基本優勢。反過來,通過與各自工廠的廣泛努力,ITTI的工程師與工廠的人員一起能夠微調專用工廠的生產和時間表,以確保低成本及時的高質量生產率,從而為您,我們的客戶提供世界一流的產品。
這只是ITTI故事的一部分,另一個激動人心的方面是我們的自定義功能。在許多情況下,現成的產品根本無法按照您的期望執行系統中的給定任務,并且現有產品的調整就足夠了,或者可能需要完整的定制部件。這是ITTI擅長的地方。我們的工程和制造人員會仔細檢查您的要求,并為您的應用提供最具成本效益的解決方案,就像我們使用標準產品一樣。無論多么簡單或復雜,您的確切要求就是我們的挑戰。
ITTI是石英行業令人興奮的新面孔。盡管如此,我們希望有機會贏得您作為戰略供應商之一的稱號. ITTI抱著簡單而創新的宗旨,為各客戶提供優質,經濟的石英電子,更希望成為各位客戶之長遠合作伙伴; 擁有全面,先進之石英晶體,包括晶體濾波器(Crystal Filter)、陶瓷諧振器(Ceramic Resonator) 與及其他最先進之晶體振蕩器(Crystal Oscillator),溫補晶振等產品.ITTI晶振,I308晶振,I308-32.768KHz-12.5晶振.
.jpg)
| Specification | I308 |
| Frequency Range | 32.768KHz / 25 to 100KHz |
| Tolerance at 25°C | ±5 to ±100ppm |
| Turnover Temperature | +25°C |
| Temperature Coefficient | (-0.035±0.01)ppm/°C² |
| Load Capacitance | 12.5ρF |
| ESR | 35KΩ Max. |
| Aging (First Year) | ±5ppm/year Max. |
| Operating Temperature Range | -20°C to +70°C |
| Storage Temperature Range | -40°C to +85°C |
| Drive Level | 1μW Max. |
.jpg)

自動安裝時的沖擊:
石英晶振自動安裝和真空化引發的沖擊會破壞產品特性并影響這些產品。請設置安裝條件以盡可能將沖擊降至最低,并確保在安裝前未對晶振特性產生影響。條件改變時,請重新檢查安裝條件。同時,在安裝前后,請確保石英晶振產品未撞擊機器或其他電路板等。
每個封裝類型的注意事項
陶瓷包裝晶振與SON產品
在焊接陶瓷封裝晶振(陶瓷晶振)和SON產品 (陶瓷包裝是指晶振外觀采用陶瓷制品) 之后,彎曲電路板會因機械應力而導致焊接部分剝落或封裝分裂(開裂)。尤其在焊接這些產品之后進行電路板切割時,務必確保在應力較小的位置布局晶體并采用應力更小的切割方法。
陶瓷包裝石英晶振
在一個不同擴張系數電路板(環氧玻璃)上焊接陶瓷封裝石英晶振時,在溫度長時間重復變化時可能導致端子焊接部分發生斷裂,請事先檢查焊接特性。ITTI晶振,I308晶振,I308-32.768KHz-12.5晶振.


1、技術支持:全方位技術指導,專業的技術支持讓您感受到前所未有的后顧無憂.
2、客服咨詢:專業的銷售團隊,耐心為您解答任何疑問,讓您的消費得到保障.
3、質量保證,誠信為本,上我司以“以科技為動力,以質量求生存,”為理念.
4、提升業績,降低成本為您的產品量身訂制,免費取樣,為您做到低成本,高效率.

康比電子聯系方式:
Q Q: 577541227
電 話:0755-27876201
手 機: 13728742863
Email: kangbidz@163.com
網 址: http://www.jqhs.com.cn/
地 址: 廣東省深圳市寶安區41區33棟6層






