康比電子roducts
國產晶振
臺產晶振
進口晶振
- 日本大真空晶振
- 愛普生晶振
- 精工晶振
- 西鐵城晶振
- 村田晶振
- 進口KSS晶振
- NDK晶振
- 大河石英晶振
- 美國CTS晶振
- 微晶晶振
- Abracon晶振
- ECS晶振
- Golledge晶振
- IDT晶振
- Jauch晶振
- Pletronics晶振
- 拉隆晶振
- SiTime晶振
- Statek晶振
- 格林雷晶振
- 康納溫菲爾德晶振
- 日蝕晶振
- 瑞康晶振
- 維管晶振
- AEK晶振
- AEL晶振
- Cardinal晶振
- Crystek晶振
- Euroquartz晶振
- FOX晶振
- Frequency晶振
- Geyer晶振
- KVG晶振
- ILSI晶振
- MERCURY晶振
- MMDCOMP晶振
- MtronPTI晶振
- QANTEK晶振
- QuartzCom晶振
- Quarztechnik晶振
- Suntsu晶振
- Transko晶振
- Wi2Wi晶振
- Fujicom晶振
- Interquip晶振
- ITTI晶振
- Lihom晶振
- MTI晶振
- NAKA晶振
- Oscilent晶振
- PDI晶振
- Rubyquartz晶振
- Shinsung晶振
- SMI晶振
- CTECH晶振
- IQD晶振
- Microchip晶振
- NJR晶振
- Silicon晶振
- Anderson晶振
- Fortiming晶振
- CORE晶振
- NIPPON晶振
- NICKC晶振
- QVS晶振
- Bomar晶振
- Bliley晶振
- GED晶振
- FILTRONETICS晶振
- STD晶振
- Q-Tech晶振
- Wenzel晶振
- NEL晶振
- EM晶振
- PETERMANN晶振
- FCD-Tech晶振
- HEC晶振
- FMI晶振
- Macrobizes晶振
- AXTAL晶振
- Sunny晶振
- 瑞薩Renesas晶振
- SKYWORKS晶振
- Dynamic迪拉尼晶振
車載電子
數碼電子
智能家居
時計產品
無線網絡
智能穿戴
醫療器械
無人機
0755-27876201
常見問題
更多>>

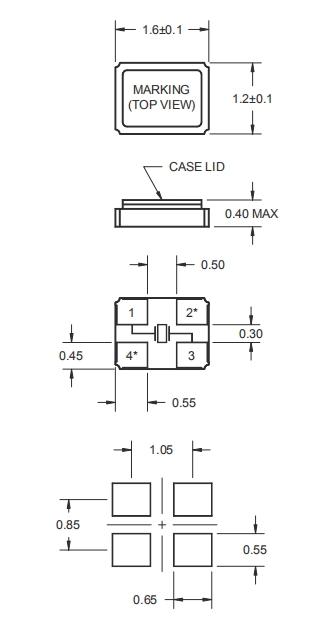
艾爾西晶振,ILCX20晶振,ILCX20-FB1F18-20.000MHz晶振,貼片晶振本身體積小,超薄型石英晶體振蕩器,特別適用于有目前高速發展的高端電子數碼產品,因為晶振本身小型化需求的市場領域,小型,薄型是對應陶瓷振蕩器(偏差大)和普通的石英晶體振蕩器(偏差小)的中間領域的一種性價比較出色的產品.產品廣泛用于筆記本電腦,無線電話,衛星導航SSD,USB,Blu-ray等用途,符合無鉛焊接的高溫回流焊曲線特性.
1995年,ILSI北京中國辦事處開業。1998年,ILSI美國公司搬遷到它現在的位置,這是一個位于內華達州里諾的10,000平方英尺的世界總部。1999年,ILSI香港中海物流中心開業。2007年ILSI韓國辦事處的開業完成了我們在美國和亞洲提供真正實體店的目標,這些實體由直接員工提供,以支持我們在北美,墨西哥,亞洲和歐洲快速增長的客戶群。
2013年,ILSI收購了MMD Monitor / Quartztek。MMD Monitor / Quartztek的收購使我們現有的全球頻率控制打印位置和活躍的客戶群翻了一番。ILSI收購MMD的行為不會中斷我們的客戶供應鏈。ILSI現在在加利福尼亞州南部的MMD Monitor Monitor / Quartztek所在地的銷售水平顯著提高,因此2013年需要開設兩個新的區域銷售辦事處,負責處理洛杉磯,加利福尼亞州,加利福尼亞州奧蘭治縣和加利福尼亞州圣地亞哥的地區。
ILSI和MMD Monitor / Quartztek品牌作為ILSI-MMD Inc.基礎設施下的品牌實體進行了積極的營銷和銷售。通過增長和收購帶來的銷量增加需要重新調整我們的銷售渠道,以更好地管理我們的全球客戶群。
ILSI-MMD Inc.銷售渠道由全球24個地區代表組成,覆蓋50個美國,加拿大西部和東部,墨西哥,亞洲,英國,波蘭,德國,法國,意大利,奧地利和南美洲中的45個。銷售渠道還受到由多國一級分銷商,地區分銷,美國分類目錄和歐洲分類目錄組成的分銷基礎設施的支持; 共有8家專營分銷渠道合作伙伴。
ILSI晶振總部位于加州科斯塔梅薩,是一家全球頻率控制解決方案提供商,并在1995年ILSI Crystal在北京中國辦事處開業.給市場上提供ILSI貼片晶振,有源晶振,陶瓷諧振器等頻率元件.艾爾西晶振,ILCX20晶振,ILCX20-FB1F18-20.000MHz晶振.
.jpg)
| Frequency | 24MHz to 60MHz |
|
ESR (Equivalent Series Resistance) |
|
| 24.0 MHz – 40.0 MHz | 150 Ohms Maximum |
| 40.0 MHz – 60.0 MHz | 100 Ohms Maximum |
| Shunt Capacitance | 3.5pF Maximum |
| Frequency Tolerance @ 25ºC | See Part Number Guide |
| Frequency Stability over Operating | See Part Number Guide |
| Crystal Cut | AT Cut |
| Mode of Operation | Fundamental |
| Load Capacitance | 18 pF Standard |
| Drive Level | 100µWatts Maximum |
| Aging +25ºC± | ±3ppm/Year Maximum |
| Operating Temperature Range | See Part Number Guide |
| Storage Temperature Range | -40° C to +85° C |
.jpg)


PCB設計指導
(1) 理想情況下,機械蜂鳴器應安裝在一個獨立于石英晶體器件的PCB板上。如果您安裝在同一個PCB板上,最好使用余量或切割PCB。當應用于PCB板本身或PCB板體內部時,機械振動程度有所不同。建議遵照內部板體特性。
(2) 在設計時請參考相應的推薦封裝。
(3) 在使用焊料助焊劑時,按JIS標準(JISC 60068-2-20/IEC60,068-2-20).來使用。
(4) 請按JIS標準(JIS Z 3282, Pb 含量 1000ppm, 0.1wt% 或更少)來使用無鉛焊料。
存儲事項
(1) 在更高或更低溫度或高濕度環境下長時間保存晶振時,會影響頻率穩定性或焊接性。請在正常溫度和濕度環境下保存這些石英晶振產品,并在開封后盡可能進行安裝,以免長期儲藏。
正常溫度和濕度:
溫度:+15°C 至 +35°C,濕度 25 % RH 至 85 % RH(請參閱“測試點JISC60068-1/IEC60068-1的標準條件”章節內容)。
(2) 請仔細處理內外盒與卷帶。外部壓力會導致卷帶受到損壞。艾爾西晶振,ILCX20晶振,ILCX20-FB1F18-20.000MHz晶振.


1、技術支持:全方位技術指導,專業的技術支持讓您感受到前所未有的后顧無憂.
2、客服咨詢:專業的銷售團隊,耐心為您解答任何疑問,讓您的消費得到保障.
3、質量保證,誠信為本,上我司以“以科技為動力,以質量求生存,”為理念.
4、提升業績,降低成本為您的產品量身訂制,免費取樣,為您做到低成本,高效率.

康比電子聯系方式:
Q Q: 577541227
電 話:0755-27876201
手 機: 13728742863
Email: kangbidz@163.com
網 址: http://www.jqhs.com.cn/
地 址: 廣東省深圳市寶安區41區33棟6層










