康比電子roducts
國產晶振
臺產晶振
進口晶振
- 日本大真空晶振
- 愛普生晶振
- 精工晶振
- 西鐵城晶振
- 村田晶振
- 進口KSS晶振
- NDK晶振
- 大河石英晶振
- 美國CTS晶振
- 微晶晶振
- Abracon晶振
- ECS晶振
- Golledge晶振
- IDT晶振
- Jauch晶振
- Pletronics晶振
- 拉隆晶振
- SiTime晶振
- Statek晶振
- 格林雷晶振
- 康納溫菲爾德晶振
- 日蝕晶振
- 瑞康晶振
- 維管晶振
- AEK晶振
- AEL晶振
- Cardinal晶振
- Crystek晶振
- Euroquartz晶振
- FOX晶振
- Frequency晶振
- Geyer晶振
- KVG晶振
- ILSI晶振
- MERCURY晶振
- MMDCOMP晶振
- MtronPTI晶振
- QANTEK晶振
- QuartzCom晶振
- Quarztechnik晶振
- Suntsu晶振
- Transko晶振
- Wi2Wi晶振
- Fujicom晶振
- Interquip晶振
- ITTI晶振
- Lihom晶振
- MTI晶振
- NAKA晶振
- Oscilent晶振
- PDI晶振
- Rubyquartz晶振
- Shinsung晶振
- SMI晶振
- CTECH晶振
- IQD晶振
- Microchip晶振
- NJR晶振
- Silicon晶振
- Anderson晶振
- Fortiming晶振
- CORE晶振
- NIPPON晶振
- NICKC晶振
- QVS晶振
- Bomar晶振
- Bliley晶振
- GED晶振
- FILTRONETICS晶振
- STD晶振
- Q-Tech晶振
- Wenzel晶振
- NEL晶振
- EM晶振
- PETERMANN晶振
- FCD-Tech晶振
- HEC晶振
- FMI晶振
- Macrobizes晶振
- AXTAL晶振
- Sunny晶振
- 瑞薩Renesas晶振
- SKYWORKS晶振
- Dynamic迪拉尼晶振
車載電子
數碼電子
智能家居
時計產品
無線網絡
智能穿戴
醫療器械
無人機
0755-27876201
常見問題
更多>>

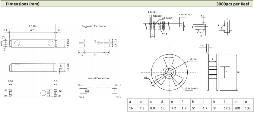
AEL晶振,PMX-145晶振,低抖動晶振,超小型,薄型,質地輕的表面貼片音叉型晶體振蕩器,手機晶體,產品體積小,特別適用于各種小巧的便攜式消費電子數碼產品,在移動通信領域得到了廣泛的應用,晶振產品本身可發揮優良的電氣特性,滿足無鉛焊接的高溫回流溫度曲線要求.
AEL在英國,日本,臺灣,南韓等地區使用精心挑選的生產基地網絡。韓國中國和美國使我們能夠為這類組件提供真正的全球采購。這降低了這種高需求產品類型供應中斷的風險。我們通過實施全面的英國庫存政策進一步提高可用性。
自1991年以來,AEL晶體有限公司已發展成為歐洲領先的頻率控制組件供應商之一。我們的成功基于扎實的工程知識基礎,同時也為我們的客戶提供高效的總體供應鏈管理服務。無論您身在何處,無論您是在英國設有研發機構還是在遠東地區生產,您都可以確信AEL將始終以具有全球競爭力的價格為您提供 始終如一的質量和可靠的服務。
我們的產品在機頂盒,安防產品,汽車產品和移動和地面通信等多種應用領域獲得了全球的普遍認可。我們每周運送數百萬單位到從墨西哥到中國的目的地。隨著頻率控制領域的許多新型創新產品的開發,我們能夠為今天的電子工程師提供在頻率產生領域更大程度的靈活性的自由。
總部位于英國的AEL晶振公司建立了覆蓋全球的供應鏈網絡,除了在英國的總廠,AEL晶體諧振器還有在臺灣,韓國,日本的分廠生產,從入行到成為歐洲知名的石英水晶振動子的廠家.無論是在有源晶振還是無源晶振方面都做得異常出色,并保持初心.AEL晶振,PMX-145晶振,低抖動晶振.
.jpg)
| Parameter | Symbol | Specification | Remarks |
| Frequency Range | f 0 | 32.768 kHz | 20kHz to 100kHz available |
| Frequency Tolerance | ? f/f | ±20PPM | at 25 o C with 100µW |
| Frequency Stability | Over OTR | -0.034±0.006ppm/ o C 2 | |
| Operating Temperature Range | T OPR | -40 o C to +85 o C | |
| Storage Temperature Range | T STG | -55 o C to +125 o C | |
| Load Capacity | C L | 12.5pF (Std value) | Please specify |
| Drive-Level | D L | 1.0µW Typ. | 1.0µW Max |
| ESR | R | 65 kΩ | Max. |
| Shunt Capacitance | C 0 | 0.8pF | Typical |
| Ageing | Fa | ±3.0PPM | Max. at 25 o C ±3 o C 1st Year |
.jpg)


自動安裝時的沖擊:
石英晶振自動安裝和真空化引發的沖擊會破壞產品特性并影響這些產品。請設置安裝條件以盡可能將沖擊降至最低,并確保在安裝前未對晶振特性產生影響。條件改變時,請重新檢查安裝條件。同時,在安裝前后,請確保石英晶振產品未撞擊機器或其他電路板等。
每個封裝類型的注意事項
陶瓷包裝晶振與SON產品
在焊接陶瓷封裝晶振和SON產品 (陶瓷包裝是指晶振外觀采用陶瓷制品) 之后,彎曲電路板會因機械應力而導致焊接部分剝落或封裝分裂(開裂)。尤其在焊接這些產品之后進行電路板切割時,務必確保在應力較小的位置布局晶體并采用應力更小的切割方法。
陶瓷包裝石英晶振
在一個不同擴張系數電路板(環氧玻璃)上焊接陶瓷封裝石英晶振時,在溫度長時間重復變化時可能導致端子焊接部分發生斷裂,請事先檢查焊接特性。AEL晶振,PMX-145晶振,低抖動晶振.


1、技術支持:全方位技術指導,專業的技術支持讓您感受到前所未有的后顧無憂.
2、客服咨詢:專業的銷售團隊,耐心為您解答任何疑問,讓您的消費得到保障.
3、質量保證,誠信為本,上我司以“以科技為動力,以質量求生存,”為理念.
4、提升業績,降低成本為您的產品量身訂制,免費取樣,為您做到低成本,高效率.

康比電子聯系方式:
Q Q: 577541227
電 話:0755-27876201
手 機: 13728742863
Email: kangbidz@163.com
網 址: http://www.jqhs.com.cn/
地 址: 廣東省深圳市寶安區41區33棟6層






